Side Thruster
El propulsor lateral es un producto que puede montarse en la popa o la proa de un buque para mover la embarcación a izquierda y derecha.
Facilita el manejo de la embarcación y puede utilizarse cómodamente incluso para maniobras de atraque.
Características Principales
- Fácil instalación, se fija en la popa del casco . No es necesario instalar un túnel adicional.
- Gran potencia de rotación gracias a su colocación al final de la popa.
- Fácilmente reparable por su instalación externa.
- Tipo de motor directo ofrece alta durabilidad y menos ruido.
Aplicación
- Buques que requieren gran empuje en popa.
- Adecuado para barcazas autopropulsadas o transporte.
Suministro
- Propulsor incluida la pieza de montaje.
- Power Pack (Excluye mangueras y dispositivos hidráulicos para la sumersión).
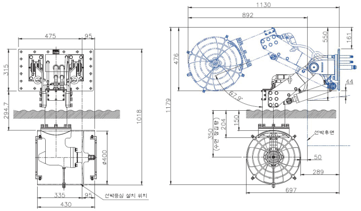
Dimensiones
Especificaciones
| Modelo | Diámetro interior del túnel (mm) | Diámetro exterior del túnel (mm) | Empuje (kgf) | Potencia requerida (hp) | Caudal (l/min) | Presión (kg/cm2) | Peso (kg) |
|---|---|---|---|---|---|---|---|
| DH500/400SRR | Ø400 | Ø408 | 500 | 49 | 122 | 169,2 | 127 |
Opcionales
Bomba de paletas:
Accionamiento de máquinas hidráulicas como propulsores laterales, barcos de trabajo, etc.
Tanque de aceite (propulsores, máq. hidráulicas):
Uso polivalente para propulsor lateral y todo tipo de máquina hidráulica.



