Gobiernos
Fácil y conveniente maniobrabilidad gracias al pequeño diámetro de la rueda de timón.
La rueda de timón se mantiene inmóvil incluso sacando las manos de ésta.
Posible control directo gracias a la incorporación de una bomba auxiliar (orbitrol) en la caña.
Pistón fabricado en acero inoxidable chapado en cromo que protege de la corrosión.
Flujo constante regulado por el suministro de aceite de la bomba.
Modelos Hidráulicos Asistidos
| Modelo | N° vueltas de rueda/74° |
Hp | Torque máx. (kgf·m) |
Rueda de Timón |
Cilindro Hidráulico |
Bomba | Estanque de Aceite |
|---|---|---|---|---|---|---|---|
| DPS 130S | 4,3 | 180 | 128 | DHO 051 | S 5015 | DPU-Y120 | DOT 20 |
| DPS 160S | 5,4 | 250 | 159 | DHO 051 | S 5019 | DPU-Y120 | DOT 20 |
| DPS 160R | 4,7 | 250 | 169 | DHO 051 | R 160 | DPU-Y120 | DOT 20 |
| DPS 300S | 6,4 | 350 | 295 | DHO 080 | S 6024 | DPU-Y120 | DOT 20 |
| DPS 500S | 5,5 | 550 | 505 | DHO 160 | S 9020 | DP-V20F-8 | DOT 60 |
| DPS 700S | 7,6 | 650 | 704 | DHO 160 | S 9028 | DP-V20F-8 | DOT 60 |
| DPS 351T | 5,0 | 400 | 348 | DHO 120 | T 5019 | DPU-Y120 | DOT 20 |
| DPS 651T | 7,1 | 600 | 654 | DHO 160 | T 6024 | DP-V20F-8 | DOT 60 |
| DPS 1200T | 8,2 | 1000 | 1236 | DHO 277 | T 9020 | DP-V20F-11 | DOT 60 |
| DPS 1600T | 10,8 | 1200 | 1723 | DHO 277 | T 9028 | DP-V20F-11 | DOT 60 |
| DPS 2000T | 13,3 | 1800 | 2135 | DHO 277 | T 10028 | DP-V20F-11 | DOT 60 |
| DPS 130SW | 4,3 | 90 x 2 | 128 | DHO 051 | SW 5015 | DPU-Y120 | DOT 20 |
| DPS 300SW | 6,4 | 175 x 2 | 295 | DHO 080 | SW 6024 | DPU-Y120 | DOT 20 |
| DPS 500SW | 5,5 | 275 x 2 | 505 | DHO 160 | SW 9020 | DP-V20F-8 | DOT 60 |
| DPS 700SW | 4,3 | 325 x 2 | 704 | DHO 160 | SW 9028 | DP-V20F-8 | DOT 60 |
| DPS 351TW | 5,0 | 200 x 2 | 348 | DHO 120 | TW 5019 | DP-V20F-8 | DOT 60 |
| DPS 651TW | 7,1 | 300 x 2 | 654 | DHO 160 | TW 6024 | DP-V20F-8 | DOT 60 |
| DPS 1200TW | 8,2 | 500 x 2 | 1236 | DHO 277 | TW 9020 | DP-V20F-11 | DOT 60 |
| DPS 1600TW | 10,8 | 600 x 2 | 1723 | DHO 277 | TW 9028 | DP-V20F-11 | DOT 60 |
| DPS 2000TW | 13,3 | 900 x 2 | 2135 | DHO 277 | TW 10028 | DP-V20F-11 | DOT 60 |
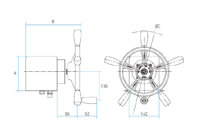
Rueda de Timón
SERIE DHO
- Volante integrado e indicador del ángulo del timón.
- Estructura de instalación en el salpicadero.
- Caja de aluminio.
| Modelo | Desplazam. (cc/rev) | Peso (kg) | Dimensiones (mm) | ||
|---|---|---|---|---|---|
| A | B | C | |||
| DHO 051 | 51 | 12 | 240 | 302 | 195 |
| DHO 080 | 80 | 13 | 240 | 302 | 195 |
| DHO 120 | 120 | 13 | 240 | 302 | 195 |
| DHO 160 | 160 | 13 | 240 | 302 | 195 |
| DHO 200 | 200 | 13 | 240 | 302 | 195 |
| DHO 240 | 240 | 13 | 240 | 302 | 195 |
| DHO 277 | 277 | 14 | 240 | 302 | 195 |
SERIE ADHO
- Indicador de timón y timón integrado.
- Estructura de montaje sobre el salpicadero.
- Puede conectarse a una unidad de piloto automático.
- Carcasa de aluminio.
- Asideros suministrados de serie.
| Modelo | Desplazam. (cc/rev) | Peso (kg) | Dimensiones (mm) | ||
|---|---|---|---|---|---|
| A | B | C | |||
| ADHO 051 | 51 | 12 | 240 | 302 | 195 |
| ADHO 080 | 80 | 13 | 240 | 302 | 195 |
| ADHO 120 | 120 | 13 | 240 | 302 | 195 |
| ADHO 160 | 160 | 13 | 240 | 302 | 195 |
| ADHO 200 | 200 | 13 | 240 | 302 | 195 |
| ADHO 240 | 240 | 13 | 240 | 302 | 195 |
| ADHO 277 | 277 | 14 | 240 | 302 | 195 |
SERIE ASHO
- Indicador de timón y timón integrado.
- Estructura de montaje sobre el salpicadero.
- Funda para trípode.
- Asideros izquierdo/derecho suministrados.
- Asideros suministrados de serie.
| Modelo | Desplazam. (cc/rev) | Peso (kg) | Dimensiones (mm) | ||
|---|---|---|---|---|---|
| A | B | C | |||
| ASHO 080 | 80 | 12 | 227 | 302 | 195 |
| ASHO 120 | 120 | 13 | 227 | 302 | 195 |
| ASHO 160 | 160 | 13 | 227 | 302 | 195 |
| ASHO 200 | 200 | 13 | 227 | 302 | 195 |
| ASHO 240 | 240 | 13 | 227 | 302 | 195 |
| ASHO 320 | 320 | 13 | 227 | 302 | 195 |
SERIE GSHO
- Maletín Stan.
- Para uso con estaciones dobles.
- Puede utilizarse como ayuda para exteriores.
- Asideros suministrados de serie.
| Modelo | Desplazam. (cc/rev) | Peso (kg) | Dimensiones (mm) | ||
|---|---|---|---|---|---|
| A | B | C | |||
| GSHO 051 | 51 | 11 | 162 | 261 | 195 |
| GSHO 080 | 80 | 11 | 162 | 261 | 195 |
| GSHO 120 | 120 | 11 | 162 | 261 | 195 |
| GSHO 160 | 160 | 12 | 162 | 261 | 195 |
| GSHO 200 | 200 | 12 | 162 | 261 | 195 |
| GSHO 240 | 240 | 12 | 162 | 261 | 195 |
| GSHO 277 | 277 | 13 | 162 | 261 | 195 |
SERIE DHF
- Plato Empotrado (Eje Largo).
- Material de aluminio.
- La combinación de indicador de inclinación requiere instalación por separado.
- Asideros suministrados de serie.
| Modelo | Desplazam. (cc/rev) | Peso (kg) | Dimensiones (mm) | ||
|---|---|---|---|---|---|
| A | B | C | |||
| DHF 080 | 80 | 12 | 195 | 284 | 195 |
| DHF 120 | 120 | 12 | 195 | 290 | 195 |
| DHF 160 | 160 | 12 | 195 | 296 | 195 |
| DHF 200 | 200 | 12 | 195 | 300 | 195 |
| DHF 240 | 240 | 12 | 195 | 306 | 195 |
| DHF 277 | 277 | 13 | 195 | 312 | 195 |
SERIE DHN
- Tablero encastrado (acortado).
- Material de aluminio.
- La combinación de indicador de inclinación requiere instalación por separado.
- Asideros suministrados de serie.
| Modelo | Desplazam. (cc/rev) | Peso (kg) | Dimensiones (mm) | ||
|---|---|---|---|---|---|
| A | B | C | |||
| DHN 051 | 51 | 11 | 195 | 259 | 195 |
| DHN 080 | 80 | 12 | 195 | 263 | 195 |
| DHN 120 | 120 | 12 | 195 | 268 | 195 |
| DHN 160 | 160 | 12 | 195 | 274 | 195 |
| DHN 200 | 200 | 12 | 195 | 278 | 195 |
| DHN 240 | 240 | 12 | 195 | 284 | 195 |
| DHN 277 | 277 | 13 | 195 | 290 | 195 |
Cilindros Simples
| Modelo | Diámetro Cilindro (mm) |
Torque Cilindro | Dimensiones Instalación (LxAxH, cms) |
|
|---|---|---|---|---|
| kgf·m | N·m | |||
| S 5015 | Ø 50 | 128 | 1254 | 844 x 288 x 150 |
| S 5019 | Ø 50 | 158 | 1557 | 914 x 288 x 150 |
| R 160 | Ø 50 | 169 | 1656 | 675 x 328 x 265 |
| S 6024 | Ø 60 | 295 | 2893 | 1150 x 351 x 167 |
| S 9020 | Ø 90 | 505 | 4951 | 1099 x 358 x 217 |
| S 9028 | Ø 90 | 704 | 4951 | 1332 x 410 x 217 |
Cilindros Dobles
| Modelo | Diámetro Cilindro (mm) |
Torque Cilindro | Dimensiones Instalación (LxAxH, cms) |
|
|---|---|---|---|---|
| kgf·m | N·m | |||
| T 5019 | Ø 50 | 347 | 3405 | 810 x 440 x 128 |
| T 6024 | Ø 60 | 653 | 6404 | 924 x 484 x 151 |
| T 9020 | Ø 90 | 1236 | 12114 | 968 x 474 x 195 |
| T 9028 | Ø 90 | 1723 | 16886 | 1125 x 584 x 180 |
| T 10028 | Ø 100 | 2135 | 20923 | 1125 x 584 x 180 |
| T 12034 | Ø 120 | 3503 | 34329 | 1410 x 755 x 230 |
Bombas
| Modelo | Desplazam. (cc/rev) | Dimensiones (mm) | Presión máx. (kg/cm²) | Veloc. min. (rpm) | Veloc. max. (rpm) | Peso (kg) | Aplicación de Poleas | |||
|---|---|---|---|---|---|---|---|---|---|---|
| A | B | C | D | |||||||
| DP-V20F6 | 19,5 | 189 | 266 | 295 | 168/190/213 | 85 | 650 | 3400 | 25 | |
| DP-V20F7 | 22,8 | 189 | 266 | 295 | 168/190/213 | 85 | 650 | 3000 | 25 | Estándar: 8" |
| DP-V20F8 | 26,5 | 189 | 266 | 295 | 168/190/213 | 85 | 650 | 2800 | 25 | Opcional: 6", 7" |
| DP-V20F11 | 36,4 | 189 | 266 | 295 | 168/190/213 | 85 | 650 | 2500 | 25 | |
| DPU-Y120 | 20,0 | 252 | 220 | 158 | 168/190/213 | 85 | 2500 | 12 | ||
Estanques
| Modelo | Parte N° | Volumen (l) | Peso (kg) |
|---|---|---|---|
| DOT 20 | 98065401 AS | 20 | 23 |
| DOT 40 | 98167401 AS | 40 | 39 |
| DOT 60 | 98150401 AS | 60 | 50 |
Aplicación para dos Timones
| Modelo | Diámetro Cilindro (mm) |
Torque Cilindro | |
|---|---|---|---|
| kgf·m | N·m | ||
| TW 5019 | Ø 50 | 347 | 3405 |
| TW 6024 | Ø 60 | 653 | 6404 |
| TW 9020 | Ø 90 | 1236 | 12114 |
| TW 9028 | Ø 90 | 1723 | 16886 |
| TW 10028 | Ø 100 | 2135 | 20923 |
Aplicación Opcionales
Componentes de control remoto: válvula, botonera de control con cable, palanca de mando (Joystick)
Válvula Antirretorno



